白底三層樹脂瓦質量好?成都坤寶合成樹脂瓦揭開真相的秘密
導讀:樹脂瓦在國內市場推廣已有十來年了,發展勢頭強勁,新品也被不斷研發出來。白底三層樹脂瓦就是其中非常優秀的一款產品,其防腐能力更突出,使用壽命更加長久,抗開裂和抗褪色的性能更加優異,結合傳統的樹脂瓦工藝進行了加工改良,其優勢就是看上去更結實大氣踏實,肉眼可見其的品質的優異性。下面小編來詳細介紹下目前樹脂瓦行業內勢頭正火的白底樹脂瓦:
坤寶原創圖片,請勿盜圖
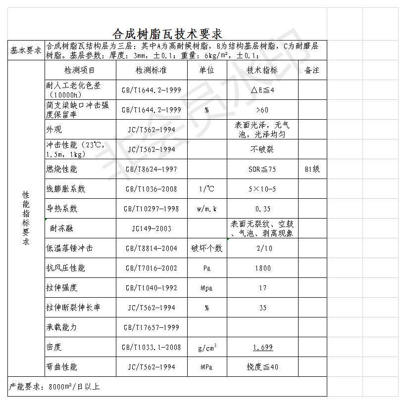
白底樹脂瓦,本身致密且不漏水,不存在微孔漏水問題,具有荷葉自動清洗功能,色彩持久靚麗,樹脂瓦的單張面積大,屋面接縫很少,搭接處結合嚴密,因此擁有卓越的防水性能,常規樹脂瓦所具備的優勢白底樹脂瓦都是具備的,而且白底樹脂瓦比起常規樹脂瓦來講,更加美觀和不會開裂和褪色的精加工技術做的更加完美。白底樹脂瓦的技術參數如下:
白底樹脂瓦技術指標
白底合成樹脂瓦突出的特點是環保、節能且可再生利用,色彩豐富并經久不褪,造型美觀、立體感強且符合中國建筑文化特色。廣泛用于工廠、住宅、商貿大樓以及所有屋面防水建筑,尤其目前國內推廣的“平改坡”工程。
白底四層樹脂瓦
可釘、可鉆、可鋸、可任意裁剪,白底樹脂瓦適合各種**型建筑屋面風格和造型,對于提升房屋整體美感和功能有實質作用,是傳統屋面瓦無法比擬的。
白底兩層全新料樹脂瓦
標題:白底三層樹脂瓦質量好?成都坤寶合成樹脂瓦揭開真相的秘密,地址:http://www.99tuangou.com.cn/hyxinwen/485.html
同類文章推薦
- 合成樹脂瓦的使用壽命到底是多久?
- 合成樹脂瓦廠家坤寶建材新增6條全自動生產線
- 農村別墅屋面瓦選擇-合成樹脂瓦!
- 夏天樹脂瓦為它降溫——「破,爛,跨」的動物救助基地。
- “新品”「塑料一體仿古屋檐瓦」屋檐上的藝術成都坤寶
- 合成樹脂瓦好壞的內情!你學會判別了嗎?還要持續受騙嗎?
- 合成樹脂瓦廠家之坤寶建材——桃花溝游記
- 合成樹脂瓦,顏色越鮮艷越好嗎?
- 樹脂瓦的顏色會褪色嗎?那種顏色可以?
屋面瓦問題錦集
- 樹脂瓦價格多少一平方
- 樹脂瓦廠家直銷多少錢
- 陶瓷瓦和樹脂瓦的使用壽命
- 樹脂瓦的隔熱效果如何,價格多少
- 樹脂瓦好嗎?價格多少一平米
- 樹脂瓦一般有幾種顏色
- 瓦片有幾種,瓦片有哪幾種圖片
- 樹脂瓦為什么容易裂?
- 樹脂瓦為什么容易漏水
- 樹脂瓦一米有多重_三毫米樹脂瓦每平米多重












